Spring Rewind 45 amp Cable Reel for Handling Live Electrical Cable
Three Year Manufacturer Warranty

*Image is a representation of this item. Actual item may vary.*
Hover over image to zoom

Hannay Reels NSCR700 Series Spring Rewind 45 amp Cable Reel for Handling Live Electrical Cable

fits 8/10/12/14 Gauge Cables, Base Mount, 50 to 120 ft. Cable Capacity, 3 Conductor

Ships From Manufacturer

Select Model & Quantity:

Model # Description Price Qty
NSCR715-14-16-8C 12 Gauge, 25ft. Cord Capacity, 3-Conductor $728.00
NSCR715-16-17-10.5C 12 Gauge, 35ft. Cord Capacity, 3-Conductor $778.05
NSCR715-19-20-10.5J 12 Gauge, 50ft. Cord Capacity, 3-Conductor $896.35
NSCR716-23-24-15.5B 12 Gauge, 75ft. Cord Capacity, 3-Conductor $1,073.80
NSCR716-23-24-15.5G 12 Gauge, 100ft. Cord Capacity, 3-Conductor $1,105.65
NSCR716-23-24-15.5 SD 12 Gauge, 100ft. Cord Capacity, 3-Conductor $1,128.40

Add Optional Accessories

Model # Description Price Qty
99 22.0200 8G 8 Gauge Cable Stop $20.02
99 22.0200 10G 10 Gauge Cable Stop $20.02
99 22.0200 12G 12 Gauge Cable Stop $20.02
99 22.0200 14G 14 Gauge Cable Stop $20.02
Contact Us
Hannay Reels - NSCR700 Series - Spring Rewind 45 amp Cable Reel for Handling Live Electrical Cable
  • Heavy-duty spring motor.
  • Non-sparking ratchet.
  • Declutching arbor.
  • Consult factory for constant tension applications.
  • 3-conductor, 45 amp, 600 volt collector assembly with #8 gauge wiring.
  • Double brushes per circuit; brushes are copper graphite with copper alloy rings.
  • Additional conductors or higher amperage (up to 300 amps) available; consult factory.
  • Silver collector available.
  • Supplied with 4-way roller assembly; roller position must be specified.
  • Cable stop should be used.
  • For vertical lift, stretch and/or crane installation, consult factory for proper spring specifications.

IMPORTANT: Hose Reel Roller Positions

All Hannay Spring Rewind Hose Reels ship standard with the SR roller position. Other options available upon request. Please note in checkout comments or email/call us to confirm roller position. To see position options Click Here.
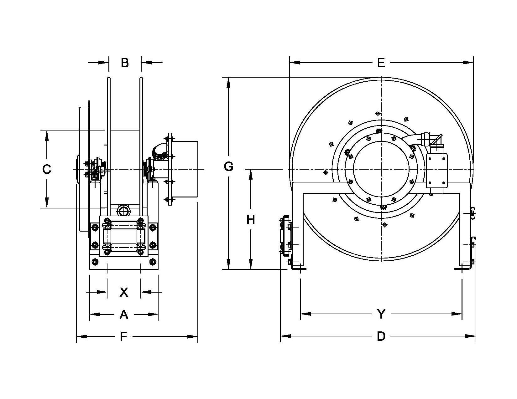
BASE MODELABCDEFGHXY
NSCR715-19-20J9 in. (229 mm)3 in. (76 mm)10.5 in. (267 mm)12 in. (304.8 mm)20.75 in. (527 mm)13.75 in. (349 mm)20 in. (508 mm)10.62 in. (270 mm)7 in. (178 mm)10 in. (254 mm)
NSCR716-23-24B10 in. (254 mm)4 in. (101.6 mm)15.5 in. (393.7 mm)12 in. (304.8 mm)23.75 in. (603.3 mm)14.75 in. (374.7 mm)24 in. (609.6 mm)12.62 in. (320.5 mm)8 in. (203.2 mm)10 in. (254 mm)


SCR700 Reels
BASE MODELABCDEFGHXY
SCR716-30-31-20A9.25 in. (234.95mm)4 in. (101.6 mm)20 in. (508 mm)28.5 in. (723.9 mm)29.62 in. (752.4 mm)17 in. (431.8 mm)31.38 in. (797.1 mm)17 in. (431.8 mm)4.5 in. (114.3 mm)25.25 in. (641.4 mm)

Gauge Options:
8, 10, 12 or 14

Conductor Options:
3 or 4

Cable Color Options:
Black or Yellow

Overall Rating

|

0 Review(s)


No reviews yet!

Be the first to add a review.

*Reviews are subject to approval